



Login / Signup
Cart
Your cart is empty
Raspberry Pi Compute Module 5 (CM5) is a system-on-module that delivers the power of Raspberry Pi 5 in a form factor ideal for embedded applications.
Featuring a quad-core Arm Cortex-A76 processor, dual 4Kp60 HDMI output, Gigabit Ethernet, optional fully-certified wireless module providing Wi-Fi® and Bluetooth connectivity, and a variety of RAM and eMMC flash options, Compute Module 5 enables you to leverage Raspberry Pi 5’s powerful hardware and optimised software stack in your own custom systems and form factors.
In comparison with its predecessor (CM4), Compute Module 5 features additional I/O interfaces, allowing even more flexibility and providing a greater breadth of options for product and application design. For cost-sensitive applications, Compute Module 5 is also available without eMMC flash ('Lite' variants).
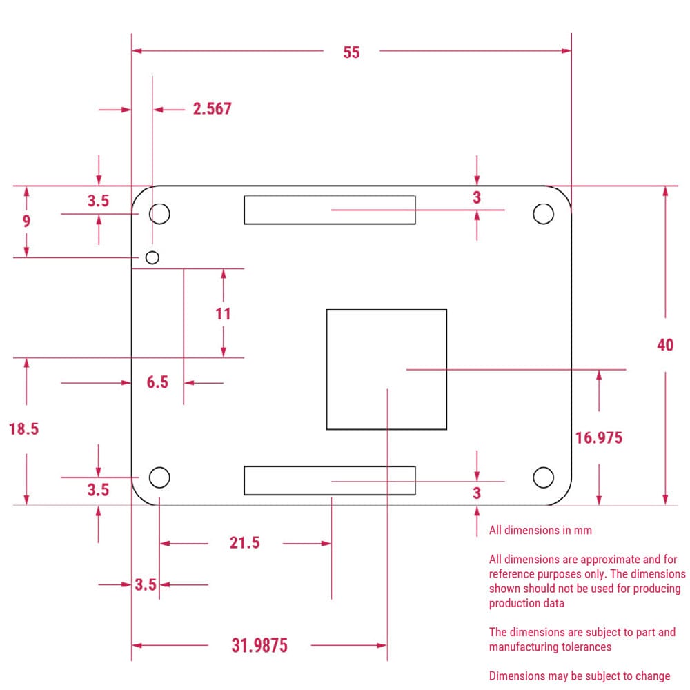
CM5 uses the same form factor as CM4, featuring two 100-pin high density connectors.
Also available to assist product designers is the Raspberry Pi Development Kit for Compute Module 5, offering an ideal environment for prototyping embedded solutions.
A number of optional accessories have been produced by Raspberry Pi to accompany the CM5, ensuring you have everything you need to develop your design:
A number of aftermarket accessories are also available in our dedicated Compute Module section.
| Form factor | 55 mm × 40 mm × 4.7 mm module |
| 4x M2.5 mounting holes | |
| Processor | Broadcom BCM2712 quad-core 64-bit Arm Cortex-A76 (Armv8) SoC @ 2.4GHz |
| Memory | Options for 2GB, 4GB, 8GB, 16GB LPDDR4-4267 SDRAM with ECC |
| Options for 0GB (Lite), 16GB, 32GB or 64GB eMMC flash memory | |
| See table below for a full list of variant options | |
| Connectivity | Options for certified radio module containing: - 2.4 GHz / 5.0 GHz IEEE 802.11 b/g/n/ac wireless - Bluetooth 5.0, BLE - On-board electronic switch to select between PCB trace or external antenna |
| Gigabit Ethernet PHY supporting IEEE 15881 | |
| 1 × PCIe x1 root complex, Gen 2 (5Gbps) | |
| 1 × USB 2.0 port (high speed) | |
| 2 × USB 3.0 ports, supporting simultaneous 5Gbps operation | |
| Up to 30 × GPIO supporting either 1.8V or 3.3V signalling and peripheral options: - Up to 5 × UART - Up to 5 × I2C - Up to 5 × SPI - 1 × SDIO interface - 1 × DPI (parallel RGB display) - 1 × I2S - Up to 4 × PWM channels - Up to 3 × GPCLK outputs |
|
| Video | 2 × HDMI 2.0 ports (supports up to 4Kp60 on both ports simultaneously) |
| 2 × 4-lane MIPI ports supporting both DSI (display port) and CSI-2 (camera port) | |
| Multimedia | 4Kp60 HEVC decoder |
| OpenGL ES 3.1 graphics, Vulkan 1.2 | |
| 1 × SDIO 2.0 (CM5 Lite) | |
| Input power | Single +5V PSU input supports USB PD for up to 5A @ 5V |
| Operating temperature | -20°C to +85°C |
| MTBF Ground Benign | 143 000 hours (168 000 hours CM5 Lite) |
| Production lifetime | Raspberry Pi Compute Module 5 will remain in production until at least January 2036 |
| Compliance | For a full list of local and regional product approvals, please visit pip.raspberrypi.com |
A total of 32 variants of the Compute Module 5 are available, each with a different configuration of onboard eMMC, RAM and wireless capability.
The table below shows all variant and their product codes. Select the configuration you require before adding to your cart.
| SKU | Part Number | Wireless | RAM | eMMC |
| SC1556 | CM5002000 | No | 2GB | OGB (Lite) |
| SC1558 | CM5002016 | 16GB | ||
| SC1559 | CM5002032 | 32GB | ||
| SC1560 | CM5002064 | 64GB | ||
| SC1562 | CM5004000 | 4GB | OGB (Lite) | |
| SC1564 | CM5004016 | 16GB | ||
| SC1565 | CM5004032 | 32GB | ||
| SC1566 | CM5004064 | 64GB | ||
| SC1568 | CM5008000 | 8GB | 0GB (Lite) | |
| SC1570 | CM5008016 | 16GB | ||
| SC1571 | CM5008032 | 32GB | ||
| SC1572 | CM5008064 | 64GB | ||
| SC1574 | CM5016000 | 16GB | OGB (Lite) | |
| SC1576 | CM5016016 | 16GB | ||
| SC1577 | CM5016032 | 32GB | ||
| SC1578 | CM5016064 | 64GB | ||
| SC1586 | CM5102000 | Yes | 2GB | 0GB (Lite) |
| SC1588 | CM5102016 | 16GB | ||
| SC1589 | CM5102032 | 32GB | ||
| SC1590 | CM5102064 | 64GB | ||
| SC1592 | CM5104000 | 4GB | OGB (Lite) | |
| SC1594 | CM5104016 | 16GB | ||
| SC1595 | CM5104032 | 32GB | ||
| SC1596 | CM5104064 | 64GB | ||
| SC1598 | CM5108000 | 8GB | 0GB (Lite) | |
| SC1600 | CM5108016 | 16GB | ||
| SC1601 | CM5108032 | 32GB | ||
| SC1602 | CM5108064 | 64GB | ||
| SC1604 | CM5116000 | 16GB | OGB (Lite) | |
| SC1606 | CM5116016 | 16GB | ||
| SC1607 | CM5116032 | 32GB | ||
| SC1608 | CM5116064 | 64GB |




















